简体版| 繁体版
支持IPv6
当前位置:首页 > 政务公开 > 双公示

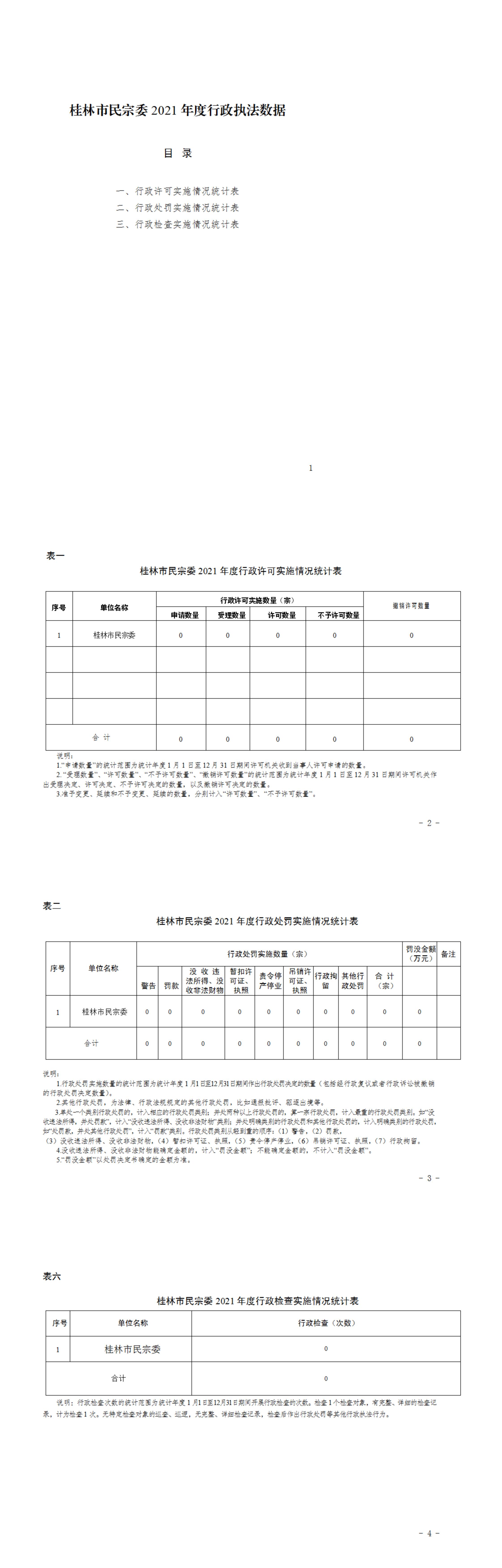
桂林市民宗委2021年度行政执法数据

2022-01-19 10:50     来源:市民族宗教事务委员会     作者:刘小林
收藏 我要收藏 公共资源调用站点 文章分享
分享 微信
头条
微博 空间 qq
【字体: 打印

文件下载:

关联文件: